D341F46涡轮衬氟法兰蝶阀
D341F46涡轮衬氟法兰蝶阀由蜗轮箱和蝶阀组成,连接方式为法兰连接

服务热线15370222117
1、涡轮法兰蝶阀设计新颖、合理,结构独特,启闭迅速;双向密封性能优良,扭矩值小,零件加工性能优越。
2、涡轮蝶阀操力矩小,操作方便,省力灵巧;流量特性趋于直线, 调节性能好。
3、法兰连接安装便捷,立式、卧式安装均可。
4、蝶阀密封件可以更换,密封性能可靠达到双向密封零泄漏。
5、密封材料耐老化、耐腐蚀,使用寿命长等特点。
6、蝶阀可用于管端作放空阀用,性能可靠。
| 序号 | 零件名称 | 灰铸铁 | 铸钢 | 不锈耐酸铸钢 | 超低碳不锈耐酸铸钢 | ||
|---|---|---|---|---|---|---|---|
| Z | C | P | R | PL | RL | ||
| 1 | 阀体/阀盖 | HT250 | WCB | CF8 | CF8M | CF3 | CF3M |
| 2 | 蝶板 | WCB | CF8 | CF8M | CF3 | CF3M | |
| 3 | 阀杆 | 1Cr13 | 2Cr13 | 1Cr18Ni9Ti | 1Cr18Ni12Mo2Ti | 00Cr18Ni10 | 000Cr17Ni14Mo2 |
| 4 | 衬里/阀座 | PTFE(F4),PCTEF(F3),FEP(F46),PFA(可溶F4),PP,PO | |||||
| 5 | 紧固销 | 2Cr13 | 1Cr18Ni9Ti | 1Cr18Ni12Mo2Ti | 00Cr18Ni10 | 000Cr17Ni14Mo2 | |
| 6 | 填料 | PTFE(F4) | |||||
| 7 | 填料压盖 | WCB | CF8 | CF8M | CF3 | CF8 | |
| 8 | 支架 | WCB | CF8 | CF8 | |||
| 9 | 紧固螺栓 | 35 | 1Cr17Ni2 | 1Cr18Ni2 | |||
| 10 | 螺母 | 45 | 1Cr18Ni9 | 0Cr18Ni9 | |||
| 称通经DN(mm) | 50~1600 | ||
|---|---|---|---|
| 公称压力PN(MPa) | 0.6 | 1.0 | 1.6 |
| 密封试验(MPa) | 0.66 | 1.1 | 1.76 |
| 强度试验(MPa) | 0.9 | 1.5 | 2.4 |
| 适用温度 | 丁腈橡胶:-40℃~90℃、氟橡胶:-20℃~200℃ | ||
| 适用介质 | 水、空气、天然气、油品及弱腐蚀性流体 | ||
| 泄漏率 | 符合GB/T13927-92标准 | ||
| 驱动方式 | 电动 | ||
| 配置执行机构 | 可配气动执行器、电动执行器 | ||
| 控制方式 | 开关到位灯(开关两位控制)、智能调节(4~20mA模拟量信号控制) | ||

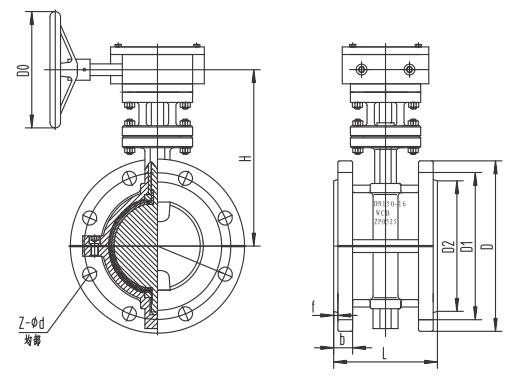
| 公称通经 | L | D | D1 | D2 | f | b | Z-φd | D | D1 | D2 | f | b | Z-φd | |
|---|---|---|---|---|---|---|---|---|---|---|---|---|---|---|
| DN(mm) | NPS(inch) | PN1.0MPa | PN1.6MPa | |||||||||||
| 40 | 3/2 | 106 | 145 | 110 | 85 | 3 | 18 | 4-φ18 | 145 | 110 | 85 | 3 | 18 | 4-φ18 |
| 50 | 2 | 108 | 160 | 125 | 100 | 3 | 20 | 4-φ18 | 160 | 125 | 100 | 3 | 20 | 4-φ18 |
| 65 | 5/2 | 112 | 180 | 145 | 120 | 3 | 20 | 4-φ18 | 180 | 145 | 120 | 3 | 20 | 4-φ18 |
| 80 | 3 | 114 | 195 | 160 | 135 | 3 | 22 | 4-φ18 | 195 | 160 | 135 | 3 | 22 | 8-φ18 |
| 100 | 4 | 127 | 215 | 180 | 155 | 3 | 22 | 8-φ18 | 215 | 180 | 155 | 3 | 24 | 8-φ18 |
| 125 | 5 | 140 | 245 | 210 | 185 | 3 | 24 | 8-φ18 | 245 | 210 | 185 | 3 | 26 | 8-φ18 |
| 150 | 6 | 140 | 280 | 240 | 210 | 3 | 24 | 8-φ23 | 280 | 240 | 210 | 3 | 28 | 8-φ18 |
| 200 | 8 | 152 | 335 | 295 | 265 | 3 | 26 | 8-φ23 | 335 | 295 | 265 | 3 | 30 | 12-φ23 |
| 250 | 10 | 250 | 390 | 350 | 320 | 3 | 28 | 12-φ23 | 405 | 355 | 320 | 3 | 32 | 12-φ25 |
| 300 | 12 | 270 | 440 | 400 | 368 | 3 | 28 | 12-φ23 | 460 | 410 | 375 | 4 | 34 | 12-φ25 |
| 350 | 14 | 290 | 500 | 460 | 428 | 4 | 30 | 16-φ23 | 520 | 470 | 435 | 4 | 38 | 16-φ25 |
| 400 | 16 | 310 | 565 | 515 | 482 | 4 | 32 | 16-φ25 | 580 | 525 | 485 | 4 | 40 | 16-φ30 |
| 450 | 18 | 330 | 615 | 565 | 532 | 4 | 32 | 20-φ25 | 640 | 585 | 545 | 4 | 44 | 20-φ30 |
| 500 | 20 | 350 | 680 | 620 | 585 | 4 | 34 | 20-φ25 | 705 | 650 | 608 | 4 | 46 | 20-φ34 |
| 600 | 24 | 390 | 780 | 725 | 685 | 5 | 36 | 20-φ30 | 840 | 770 | 718 | 5 | 54 | 20-φ41 |
| 700 | 28 | 430 | 895 | 840 | 800 | 5 | 40 | 24-φ30 | 910 | 840 | 788 | 5 | 54 | 24-φ41 |
| 800 | 32 | 470 | 1010 | 950 | 905 | 5 | 44 | 24-φ34 | 1020 | 950 | 898 | 5 | 54 | 24-φ41 |
| 900 | 36 | 510 | 1110 | 1050 | 1005 | 5 | 46 | 28-φ34 | 1120 | 1050 | 998 | 5 | 54 | 28-φ41 |
| 1000 | 40 | 550 | 1220 | 1160 | 1115 | 5 | 50 | 28-φ34 | 1255 | 1170 | 1110 | 5 | 60 | 28- |